Description
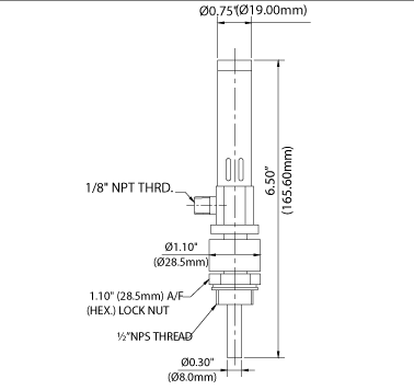
AIRMASTERS cabinet cooler is small size and can be mounted on the case through a hole. Side mounting is possible with an optional side mounting kit. Cabinet coolers are made of stainless steel (303/304 or 316L), this ensures a long service life and suitability for even the most demanding operating conditions. Models with four different IP ratings are available. Panel coolers come in two different sizes: small one is for cooling power range 42W - 170W and large for range 214W - 849W.
NEMA Type 12 (IP-52) For general use in industrial environments where no direct liquid spray is applied to the unit. 303/304 Stainless steel.
NEMA Type 3R (IP-24) For electronic control panels for outdoor use. 303/304 Stainless steel.
NEMA Type 4-4X (IP-66) For electronic control panels – splash resistant, for use in washdown environments as well as outdoor use. 303/304 Stainless steel.
NEMA Type 4-4X-316L (IP-66) 316L Stainless steel model. Dust, oil-tight, spray resistant and used in environments where there are liquids and for food service and corrosive environments where 316L Stainless steel is needed.
| REFERENCE |
MODEL | POWER | AIR CONSUMPTION (7 bar) |
|---|---|---|---|
| CC2-IP54 | NEMA Type 12 (IP-54) | 42 | 57 Nl/min |
| CC4-IP54 | NEMA Type 12 (IP-54) | 85 | 113 Nl/min |
| CC8-IP54 | NEMA Type 12 (IP-54) | 170 | 227 Nl/min |
| CC10-IP54 | NEMA Type 12 (IP-54) | 214 | 283 Nl/min |
| CC15-IP54 | NEMA Type 12 (IP-54) | 322 | 425 Nl/min |
| CC25-IP54 | NEMA Type 12 (IP-54) | 527 | 708 Nl/min |
| CC30-IP54 | NEMA Type 12 (IP-54) | 615 | 850 Nl/min |
| CC40-IP54 | NEMA Type 12 (IP-54) | 849 | 1133 Nl/min |
| CC2-IP14 | NEMA Type 3R (IP-24) | 42 | 57 Nl/min |
| CC4-IP14 | NEMA Type 3R (IP-24) | 85 | 113 Nl/min |
| CC8-IP14 | NEMA Type 3R (IP-24) | 170 | 227 Nl/min |
| CC10-IP14 | NEMA Type 3R (IP-24) | 214 | 283 Nl/min |
| CC15-IP14 | NEMA Type 3R (IP-24) | 322 | 425 Nl/min |
| CC25-IP14 | NEMA Type 3R (IP-24) | 527 | 708 Nl/min |
| CC30-IP14 | NEMA Type 3R (IP-24) | 615 | 850 Nl/min |
| CC40-IP14 | NEMA Type 3R (IP-24) | 849 | 1133 Nl/min |
| CC102-IP66 | NEMA Type 4-4X (IP-66) | 42 | 57 Nl/min |
| CC104-IP66 | NEMA Type 4-4X (IP-66) | 85 | 113 Nl/min |
| CC108-IP66 | NEMA Type 4-4X (IP-66) | 170 | 227 Nl/min |
| CC110-IP66 | NEMA Type 4-4X (IP-66) | 214 | 283 Nl/min |
| CC115-IP66 | NEMA Type 4-4X (IP-66) | 322 | 425 Nl/min |
| CC125-IP66 | NEMA Type 4-4X (IP-66) | 527 | 708 Nl/min |
| CC130-IP66 | NEMA Type 4-4X (IP-66) | 615 | 850 Nl/min |
| CC140-IP66 | NEMA Type 4-4X (IP-66) | 849 | 1133 Nl/min |
| CC102-IP66-316L | NEMA Type 4-4X (IP-66) 316L rst | 42 | 57 Nl/min |
| CC104-IP66-316L | NEMA Type 4-4X (IP-66) 316L rst | 85 | 113 Nl/min |
| CC108-IP66-316L | NEMA Type 4-4X (IP-66) 316L rst | 170 | 227 Nl/min |
| CC110-IP66-316L | NEMA Type 4-4X (IP-66) 316L rst | 214 | 283 Nl/min |
| CC115-IP66-316L | NEMA Type 4-4X (IP-66) 316L rst | 322 | 425 Nl/min |
| CC115-IP66-316L | NEMA Type 4-4X (IP-66) 316L rst | 322 | 425 Nl/min |
| CC125-IP66-316L | NEMA Type 4-4X (IP-66) 316L rst | 527 | 708 Nl/min |
| CC130-IP66-316L | NEMA Type 4-4X (IP-66) 316L rst | 615 | 850 Nl/min |
| CC140-IP66-316L | NEMA Type 4-4X (IP-66) 316L rst | 849 | 1133 Nl/min |












